The Biggest Volcanic Event in Earth's History Transformed an Entire Oceanic Plate SciTech Daily - April 9, 2026
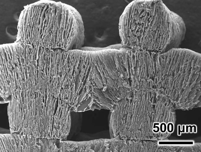
he oceanic plate beneath the Ontong Java Plateau reveals a complex internal structure, shaped by layered formations and intrusive dike swarms. Subtle seismic signals hint at deep chemical alteration driven by plume-derived magma, suggesting that large volcanic systems can fundamentally reshape oceanic plates over time.
Scientists Found a Mysterious Golden Orb at The Bottom of The Ocean Science Alert - November 20, 2025
At around 3,300 meters (2 miles) below the ocean's surface off the coast of Alaska, where the warm light of the Sun never penetrates, an NOAA Ocean Exploration remotely operated underwater vehicle came across a strange, golden orb.
'Enormous' mountain on Pacific seafloor rivals Rocky Mountain peaks, NOAA says PhysOrg - September 12, 2025
The seamount is 250 miles north of Palau - an island country east of the Philippines and multibeam sonar revealed its peak is hidden about 800 feet below the surface.
10 bizarre 'dark voids' appear in the skies over uninhabited island near Antarctica - Heard Island in the Indian Ocean   Live Science - August 12, 2025
This striking satellite photo shows 10 swirling "dark voids" that appeared above an uninhabited volcanic island in the Indian Ocean. The black spots are the result of atmospheric cloud vortices, but are oddly pronounced and significantly contorted compared to most other examples of this phenomenon. On average, the dark spots are around 8 miles (13 km) wide, decreasing slightly in size the further they have traveled.
2025 Kamchatka Peninsula Earthquake Wikipedia
Tsunami waves hit US shores after 8.8 magnitude quake strikes Russia's far east - 6th most powerful ever recorded CNN - July 30, 2025
The region is known for seismic activity due to its location in the Pacific Ring of Fire - a belt in the Pacific where the world's most active volcanoes are located. Russian volcano explodes in 'powerful' eruption, likely intensified by 8.8 magnitude earthquake   Live Science - July 30, 2025
Aftershocks are expected to continue for some time, though decreasing in frequency and magnitude.
Climate change and natural disasters continue to accelerate exponentially as we move to closure. This summer has seen unprecedented global flooding and extreme heat. All of the tectonic plates are broken or fractures highlighted with the Pacific Plate.
The 8.8 pacific earthquake could have affected this predicted event ... Undersea Volcano Off The US West Coast Predicted To Erupt In 2025
Scientists reconstruct 540 million years of sea level change in detail PhysOrg - July 7, 2025
Sea level on Earth has been rising and falling ever since there was water on the planet. Scientists were already able to use sediments and fossils to roughly reconstruct how sea levels changed over time steps of a million years or more.
Spongy material and the sun's power remove salt from seawater Techxplore - July 3, 2025
Most of Earth's water is in the oceans and too salty to drink. Desalination plants can make seawater drinkable, but they require large amounts of energy. Now, researchers reporting in ACS Energy Letters have developed a sponge-like material with long, microscopic air pockets that uses sunlight and a simple plastic cover to turn saltwater into freshwater.
Ocean and atmosphere equally responsible for Atlantic 'cold blob,' scientists find PhysOrg - July 1, 2025
A patch of the Atlantic Ocean just south of Greenland is cooling while much of the world warms. The origin of this "cold blob" has been linked to weakening ocean currents that help regulate global climate - called the Atlantic Meridional Overturning Circulation (AMOC). A team of scientists led by Penn State has found a weakening AMOC impacts not just the ocean but also the atmosphere, and that these two factors may contribute equally to the cold anomaly.
'Pulsing, like a heartbeat': Rhythmic mantle plume rising beneath Ethiopia is creating a new ocean   Live Science - June 27, 202
Rhythmic pulses of molten rock are rising beneath eastern Africa. The pulsing plume of hot mantle beneath Ethiopia, driven by plate tectonics, is slowly pulling the region apart and forming a new ocean near the Gulf of Aden and the Red Sea
Hundreds of Mysterious Giant Viruses Discovered Lurking in The Ocean Science Alert - June 16, 2025
Scientists have just discovered hundreds of new giant viruses, in a comprehensive study covering oceans across the globe.
'It's a ticking time bomb': Acid levels in Earth's oceans have already breached 'danger zone', study suggests   Live Science - June 12, 2025
Researchers have found that ocean acidification entered a "danger zone" in 2020, suggesting increased carbon dioxide levels have caused Earth to breach another planetary boundary
Haunting blood-red squid with large hooks drifts through Antarctic ocean's midnight zone in world-first video   Live Science - June 10, 2025
An elusive species of deep-sea squid has been seen alive for the first time off Antarctica. Scientists have known about the Antarctic gonate squid for more than 100 years, but they have previously only seen dead specimens caught in fishing nets or beaks that had been preserved in the stomachs of other animals. This is the first time scientists have observed the squid alive and in its natural habitat.
Leaders warn race for minerals could turn seabed into 'wild west' PhysOrg - June 9, 2025
World leaders called for strict rules to govern deep-sea mining and warned against racing to exploit the ocean floor in a thinly veiled rebuke of US President Donald Trump. Growing anxiety over Trump's unilateral push to fast-track deep-sea mining in international waters shot to the surface at the opening of the UN Ocean Conference in southern France.
China carefully assembling a deep-sea mining strategy PhysOrg - June 9, 2025
The world's oceans, both international waters and those under national jurisdiction, are rich in minerals and metals, like cobalt, nickel and copper. These are important for building electric car batteries, for instance, and other technologies as countries try to transition away from fossil fuels.
117 million-year-old mud waves reveal the birth of the Atlantic Ocean PhysOrg - May 7, 2025
Heriot-Watt scientists have discovered giant underwater mud waves buried deep below the Atlantic Ocean, 400 kilometers off the coast of Guinea-Bissau in west Africa. The massive underwater sediment waves, comprising mud and sand, were found about one kilometer below the seabed. They formed in what was known as the Equatorial Atlantic Gateway: the seaway that formed when South America and Africa split apart, giving birth to the modern Atlantic Ocean.
Atlantic ocean currents are weakening - and it could make the climate in some regions unrecognizable   Live Science - April 25, 2025
A mysterious patch of water in the North Atlantic has baffled scientists for decades. Located to the southeast of Greenland, this blob of seawater was colder between 1901 and 2021 than during the late 1800s, even as the seas around it became ever warmer. Some scientists linked this "warming hole" to an inflow of frigid Arctic meltwater; others blamed pollution from shipping, which can bounce the sun's rays back into space. But a growing body of evidence suggests the hole has a more sinister origin - one whose impacts, if unleashed, would reach much farther than a small region of the North Atlantic. The warming hole might be a sign that Atlantic Ocean currents are slowing down. This network of currents regulates Earth's climate, moving heat from the tropics to the Northern Hemisphere. The currents, which include the Gulf Stream, form a huge and seemingly permanent loop known as the Atlantic Meridional Overturning Circulation (AMOC).
Earth's Oceans Were Once Green, Says Study of Volcanic Waters Science Alert - April 10, 2025
Nearly three fourths of Earth is covered by oceans, making the planet look like a pale blue dot from space. But Japanese researchers have made a compelling case that Earth's oceans were once green. The reason Earth's oceans may have looked different in the ancient past is to do with their chemistry and the evolution of photosynthesis.
A marine robot that can swim, crawl and glide untethered in the deepest parts of the ocean TechXplore - March 20, 2025
Ocean's heart is slowing down - and it will affect the entire planet's circulation   Live Science - March 17, 2025
Melting ice could weaken Earth's strongest ocean current 20% by 2050. The influx of cold meltwater could slow the Antarctic Circumpolar Current by up to 20% by 2050. The slowdown could affect ocean temperatures, sea level rise and Antarctica's ecosystem. The Antarctic Circumpolar Current, which swirls clockwise around Antarctica, transports around a billion liters (264 million gallons) of water per second. It keeps warmer water away from the Antarctic Ice Sheet and connects the Atlantic, Pacific, Indian and Southern oceans, providing a pathway for heat exchange between these bodies of water.
NASA Reports Sea Levels Rose by 'Unexpected' Amount in 2024 Earth's Hottest Year Science Alert - March 14, 2025
This was due to an unusual amount of ocean warming, combined with meltwater from land-based ice such as glaciers
Mysterious Radioactive Anomaly Discovered Deep Under The Pacific Ocean Science Alert - February 14, 2025
Analyzing several thin layers of seafloor crust, scientists in Germany have identified a sudden surge in the radioactive isotope Beryllium-10 sometime between 9-12 million years ago.
3.5 kilometers underwater, scientists found a staggeringly energetic particle from outer space PhysOrg - February 13, 2025
Three and a half kilometers beneath the Mediterranean Sea, around 80km off the coast of Sicily, lies half of a very unusual telescope called KM3NeT. The enormous device is still under construction, but today the telescope's scientific team announced they have already detected a particle from outer space with a staggering amount of energy.
Ocean temperatures hit record highs in 2024, study finds PhysOrg - January 10, 2025
A study published in Advances in Atmospheric Sciences has found that ocean warming in 2024 has led to new record high temperatures. The ocean is the hottest it has ever been recorded by humans, not only at the surface temperature but also for the upper 2000 meters.
Unexpected And Unexplained Structures Found Deep Below The Pacific Ocean   Live Science - January 8, 2025
Geoscientists have used earthquakes to study the composition of the lower portion of the EarthÕs mantle under the Pacific Ocean Ð and they've discovered something quite peculiar. There are zones where the seismic waves move in different ways, suggesting structures that are colder or have a different composition than the surrounding molten rocks. The team describes the presence of these structures as a major mystery. It is unclear what these structures are. If they were anywhere else, they could be portions of tectonic plates that have sunk in a subduction zone. But the Pacific is one large plate, so there should be no subduction material under it. The researchers are also uncertain about what kind of material these deep structures are made of or what this means for the internal structure of the planet.
This Massive Underwater Mountain Range Was Made by a 'Moving' Hotspot Science Alert - December 3, 2024
The Indian Ocean is home to a mountain range longer than the North American Rockies, and yet today, all 5,000 kilometers (3,107 miles) of it are hidden under the sea. A new study delves deep beneath the waves to show how the Ninetyeast Ridge was formed between 43 and 83 million years ago - and its origins are quite the surprise. Seamounts are underwater volcanoes found in every single ocean. They are caused by 'hotspots' beneath Earth's surface, in which gathering heat melts away the mantle, releasing hot plumes in a pipe-like upwelling.
At first, scientists did not think hotspots could move, so a trail of volcanoes underwater was thought to result from tectonic plates sliding over the top of a stationary hotspot. Think of it like an upside-down sewing machine, with a stationary 'needle' of hot material piercing a cloth sliding above it, stitching a line. As it turns out, the Indian Ocean's submerged volcanic chain was formed in a different way. The hotspot in this case is better imagined as a fountain pen, with the moving 'tip' depositing liquid magma across the surface of the Earth.
Two Giant Geological Blobs Lurk Under Africa And The Pacific, Still Defying Explanation IFL Science - November 29, 2024
Strange things are occurring beneath EarthÕs surface (as ever). Some 2,896 kilometers (1,800 miles) below the planet's crust, about halfway to the center of the Earth, two giant blobs can be found on roughly opposite sides of the planet. One is situated beneath Africa, while the other lives under the middle of the Pacific Ocean.
Meltwater from Greenland and the Arctic is weakening ocean circulation to speed up warming down south, model suggests PhysOrg - November 19, 2024
A vast network of ocean currents nicknamed the "great global ocean conveyor belt" is slowing down. That's a problem because this vital system redistributes heat around the world, influencing both temperatures and rainfall.
Over in the Atlantic Ocean we find the Bimini Road
Scientists Found a 'Yellow Brick Road' at The Bottom of The Pacific Ocean Science Alert - November 4, 2024
An expedition to a deep-sea ridge, just north of the Hawaiian Islands, revealed a surprise discovery back in 2022: an ancient dried-out lake bed paved with what looks like a yellow brick road.
'Dark Oxygen' Discovered in The Ocean - Oxygen may be produced at depths where light cannot reach Science Alert - November 4, 2024
Oxygen, the molecule that supports intelligent life as we know it, is largely made by plants. Whether underwater or on land, they do this by photosynthesizing carbon dioxide. However, a recent study demonstrates that oxygen may be produced without the need for life at depths where light cannot reach.
Global warming caused vital Atlantic Ocean currents to collapse just before the last ice age, a new study suggests. The weakening currents triggered a cascade of effects, resulting in a dramatic cooling of the Nordic Seas - the Greenland, Iceland and Norwegian seas - while the surrounding oceans grew warmer. And scientists say we could be heading toward the same thing again, as the world warms with climate change and temperatures race closer to the levels that existed before the last ice age.
9-Kilometer Impact Crater Beneath Atlantic Reveals Dino-Killing Asteroid Had A Friend. The crater lies deep beneath the Atlantic Ocean and was formed around 66 million years ago - making it a contemporary of Chicxulub IFL Science - October 4, 2024
Some 66 million years ago, a massive asteroid slammed into Earth. The Chicxulub impactor, as it is called, famously wiped out the non-avian dinosaurs and left a huge crater at the edge of the Yucat‡n peninsula - but it may not have acted alone. New research has revealed that a second, smaller space rock smashed into our planet during the same era, creating a 9.2-kilometer (5.7-mile) crater deep below the Atlantic.
Geologists discover mysterious subduction zone beneath Pacific, reshaping understanding of Earth's interior PhysOrg - September 29, 2024
Scientists uncovered evidence of an ancient seafloor that sank deep into Earth during the age of dinosaurs, challenging existing theories about Earth's interior structure. Located in the East Pacific Rise (a tectonic plate boundary on the floor of the southeastern Pacific Ocean), this previously unstudied patch of seafloor sheds new light on the inner workings of our planet and how its surface has changed over millions of years.
World's Oceans on Verge of Being Too Acidic to Sustain Life, Scientists Warn Science Alert - September 24, 2024
The world's oceans are close to becoming too acidic to properly sustain marine life or help stabilize the climate. The safe boundaries that have already been crossed concern crucial - and related - factors including climate change; the loss of natural species, natural habitat and freshwater; and a rise in pollutants, including plastics and chemical fertilizers used in agriculture. The sustainable level of ocean acidification is now also set to be exceeded, largely as a result of ever-increasing emissions of carbon dioxide (CO2) created by burning fossil fuels like oil, coal and gas.
Deep Ocean Sound Confused Scientists For Years. We Finally Know What Makes It Science Alert - September 25, 2024
The "biotwang" is actually the call of the Bryde's whale traveling long distances in the open ocean
Giant underwater avalanche decimated Atlantic seafloor 60,000 years ago, 1st-of-its-kind map reveals   Live Science - August 30, 2024
Researchers have mapped the path of a giant submarine avalanche that tore through the Agadir Canyon - a deep trench in the Atlantic seafloor off the coast of Morocco - 60,000 years ago.
Large patch of the Atlantic Ocean near the equator has been cooling at record speeds - and scientists can't figure out why   Live Science - August 28, 2024
For a few months this summer, a large strip of Atlantic Ocean along the equator cooled at record speed. Though the cold patch is now warming its way back to normal, scientists are still baffled by what caused the dramatic cooling in the first place. The anomalous cold patch, which is confined to a stretch of ocean spanning several degrees north and south of the equator, formed in early June following a monthslong streak of the warmest surface waters in more than 40 years. While that region is known to swing between cold and warm phases every few years, the rate at which it plunged from record high to low this time is unprecedented.
Sediments reveal the ancient ocean during a mass extinction event PhysOrg - June 25, 2024
About 183 million years ago, volcanic activity in modern South Africa unleashed an estimated 20,500 gigatons of carbon dioxide (CO2) into the oceanÐatmosphere system over a period of 300 to 500 thousand years. Known as the Toarcian Oceanic Anoxic Event (T-OAE), the lack of oxygen, or anoxia, in the water during this time caused a mass extinction of marine species. Human activity since the industrial revolution has already resulted in cumulative CO2 emissions representing 12% of the total CO2 released during the entire T-OAE, in less than 0.1% of the time. The T-OAE foreshadows what might happen to our oceans if greenhouse gas emissions continue to increase.
Oldest Crystals In The World Reveal Earth Had Rain And Oceans 4 Billion Years Ago IFL Science - June 4, 2024
Scientists develop 'X-ray vision' technique to see inside crystals PhysOrg - June 4, 2024
A team of New York University researchers has created a new way to visualize crystals by peering inside their structures, akin to having X-ray vision. Their new technique which they aptly named "Crystal Clear" - combines the use of transparent particles and microscopes with lasers that allow scientists to see each unit that makes up the crystal and to create dynamic three-dimensional models.
Why the world's oceans are changing color to green as result of climate change BBC - May 20, 2024
When you picture the ocean you might imagine sparkling turquoise waters Ð but recent research suggests swathes of our world's oceans may in fact be turning greener. And the leading culprit might be climate change. And while some waters are becoming more green, particularly in low latitudes near the equator, others are growing more blue as global temperatures rise. Although this shift in color isn't visible to the naked eye, satellite studies are able to map the change.
Ocean water is rushing miles underneath the ÔDoomsday GlacierÕ with potentially dire impacts on sea level rise BBC - May 20, 2024
Ocean water is pushing miles beneath AntarcticaÕs ÒDoomsday Glacier,Ó making it more vulnerable to melting than previously thought, according to new research which used radar data from space to perform an X-ray of the crucial glacier.
World's oceans have gone 'crazy haywire,' officials warn, with majority of coral reefs in peril NBC - May 17, 2024
Conditions last year were so unusually warm in some waters that heat stress levels were literally off the charts of NOAA's alert system. Daily monitoring of ocean conditions around the world, released by NOAAÕs Coral Reef Watch, shows zones of Bleaching Alert Level 4 in the central Pacific Ocean and off the Atlantic coast of South America, with some ribbons of Alert Level 5 in the southern Atlantic.
The Atlantic Ocean Could Be Developing Its Own "Ring Of Fire" IFL Science - February 19, 2024
The dance of the continents could be about to take a new turn, with the Atlantic moving from a growth to a contraction phase. This, some geologists predict, will be caused by the breaking of tectonic plates, causing lines of volcanoes along the coastlines of Africa and Iberia. Over billions of years, the EarthÕs continents have repeatedly come together and come apart. There is no doubt this will happen again; what is uncertain is the timing and whether most continents will collect at the North Pole or the equator.
How do oceans start to close? New study suggests the Atlantic may 'soon' enter its declining phase PhysOrg - February 15, 2024
Oceans seem eternal to our lifespan, but they are not here for long: they are born, grow, and one day close. This process, which takes a few hundred million years, is called Wilson Cycle. The Atlantic, for example, was born when Pangea broke up around 180 million years ago and will one day close. And the Mediterranean is what remains from a big oceanÑthe TethysÐ that once existed between Africa and Eurasia.
For an ocean like the Atlantic to stop growing and start closing, new subduction zones - places where one tectonic plate sinks below another - have to form. But subduction zones are hard to form, as they require plates to break and bend, and plates are very strong. A way out of this "paradox" is to consider that subduction zones can migrate from a dying ocean in which they already exist - the Mediterranean - into pristine oceans - such as the Atlantic. This process was dubbed subduction invasion.
Marker for the collapse of key Atlantic current discovered   Live Science - February 9, 2024
A vital Atlantic current that includes the Gulf Stream and keeps our climate in check may be giving off a warning sign of collapse.
Ocean system that moves heat gets closer to collapse, which could cause weather chaos, study says PhysOrg - February 10, 2024
Incredible 'Fibonacci' Spiral Was Made by a Pair of Ocean Whales off Antarctica Science Alert - January 10, 2024
The unfurling coil of light blue bubbles created a shape on the ocean surface that looked remarkably like a Fibonacci spiral - the famous mathematical pattern that often appears in the natural world, from plant to animal life.
10 mind-boggling deep sea discoveries in 2023 Live Science - December 27, 2023
The deep sea is an enigmatic, alien world. But every year, scientists make discoveries about the ocean's depths that help to fill in parts of the puzzle, and this year was no different. From gigantic seamounts and the deepest-dwelling fish to a mysterious golden orb and puzzling methane leaks, here are the 10 best deep-sea discoveries of 2023.
Frozen Methane Under The Seabed Is Thawing As Oceans Warm - And Things Are Worse Than We Thought IFL Science - December 9, 2023
Buried beneath the oceans surrounding continents is a naturally occurring frozen form of methane and water. Sometimes dubbed 'fire-ice' as you can literally set light to it, marine methane hydrate can melt as the climate warms, uncontrollably releasing methane - a potent greenhouse gas - into the ocean and possibly the atmosphere.
Earth's civilizations are shaped by what the ocean engine does Live Science - October 16, 2023
The definition of an engine is something that turns any heat energy into movement, which is what the ocean does.
'It is biological in origin': 1st analysis of weird golden orb from ocean floor leaves scientists stumped Live Science - September 8, 2023
The golden, dome-shaped object was discovered in the Gulf of Alaska during an NOAA expedition and after bringing it to the surface, scientists still have no idea what it is.
Golden Orb Found at The Bottom of The Ocean Mystifies Scientists Science Alert - September 8, 2023
At around 3,300 meters (2 miles) below the surface off the coast of Alaska, where the warm light of the Sun never penetrates, an NOAA Ocean Exploration remotely operated underwater vehicle came across a strange golden orb.
Scientists Find A Whole New Ecosystem Hiding Beneath Earth's Seafloor Science Alert - August 9, 2023
Scientists keep peeling back new layers of life on our planet like a seemingly endless onion. Most recently, aquanauts on board a vessel from the Schmidt Ocean Institute used an underwater robot to turn over slabs of volcanic crust in the deep, dark Pacific. Underneath the seafloor of this well-studied site, the international team of researchers found veins of subsurface fluids swimming with life that has never been seen before. It's a whole new world we didn't know existed.
600-Million-Year-Old Time Capsule Of Ancient Ocean Found In The Himalayas IFL Science - August 2, 2023
Drops of water found inside mineral deposits are the remnants of an ocean that disappeared 600 million years ago. Remarkably, the best place to find the minerals in question is kilometers above sea level. The scientists who found them say the droplets may explain a much-debated event crucial to life as we know it.
Drops of seawater found to contain traces of an ancient world PhysOrg - August 2, 2023
Sea salt hides a secret: tiny droplets of the seawater from which it came, preserving geologic history. To access the tiny droplets, the researchers used a laser to drill holes into the salt crystals and then a mass spectrometer to analyze the different trace elements present. In this research, they focused specifically on the concentration of lithium, a trace element that sustained a seven-fold decrease over the past 150 million years, paralleled by a rise in magnesium to calcium ratios.
N. Atlantic ocean temperature sets record high PhysOrg - July 29, 2023
On the heels of a new record high in the Mediterranean, the North Atlantic reached its hottest-ever level this week, several weeks earlier than its usual annual peak, according to preliminary data released Friday by the US National Oceanic and Atmospheric Administration.
A major ocean current system in the Atlantic could be about to collapse as soon as 2025, concerning new peer-reviewed research suggests. Science Alert - July 25, 2023
Gulf Stream current could collapse in 2025, plunging Earth into climate chaos Live Science - July 25, 2023
This is particularly concerning in light of the current heat extremes we're witnessing across the globe, including a massive departure from previous records in the Atlantic Ocean itself.
Polar Vortex And Polar Jet Stream Are Facing An Earth-Changing Upset
IFL Science - July 26, 2023
There's a Giant Gravity Hole In The Indian Ocean, And We May Finally Know Why Science Alert - June 30, 2023
Gravity's pull is a constant on Earth, but our planet is no uniform sphere. It's covered in lumps and bumps, with geology of varying density yanking on nearby masses with subtly differing degrees of force in an undulating map known as a geoid. Deep beneath the Indian Ocean, that pull weakens to an extreme low, leaving what is considered a massive gravity 'hole' some three million square kilometers in size roughly where the seafloor sinks into a vast depression. One of the most profound gravitational anomalies on Earth, its presence has been alluded to for a while. Ship-based surveys and satellite measurements revealed long ago that the sea level just off the tip of the Indian subcontinent dipped on account of the gravitational tug-of-war between the aptly named Indian Ocean geoid low and the surrounding gravitational 'highs'.
Scientists find weird holes on the ocean floor spewing ancient fluids like a fire hose at the bottom of the ocean off the coast of Oregon Live Science - April 24, 2023
Understanding the movement of fluids in the Cascadia subduction zone can help researchers pinpoint the risk of earthquakes. Holes spewing warm fluids from the boundary between tectonic plates have been discovered at the bottom of the ocean off the coast of Oregon. Researchers think this strange, never-before-seen phenomenon, dubbed Pythia's Oasis after an ancient Greek priestess, could provide insight into earthquake risk along the dangerous fault - although exactly how it affects the tectonics is unclear.
Earth's Core Appears to Be Wrapped in an Unexpected Ancient Structure - an Ancient Ocean Floor Science Alert - April 11, 2023
Scientists have stitched together the most high-resolution map yet of the underlying geology beneath Earth's Southern Hemisphere, revealing something previously undiscovered: an ancient ocean floor that may wrap around the core.
Africa Is Splitting Into Two Continents And May Open A Vast New Ocean IFL Science - March 7, 2023
Africa is slowly but surely tearing in two. Like anything in geology, itÕs an extremely long process that will take millions of years, but it will eventually see part of East Africa chip off from the rest of the continent, likely resulting in a new ocean arising between the two land masses.The colossal breakup is associated with the East African Rift System (EARS), one of the largest rifts in the world that stretches downward for thousands of kilometers through several countries in Africa, including Ethiopia, Kenya, the Democratic Republic of the Congo, Uganda, Rwanda, Burundi, Zambia, Tanzania, Malawi, and Mozambique. This rift system means that the African plate is splitting into two plates Ð the smaller Somalian plate and the larger Nubian plate Ð that are pulling away from each other at a super-sluggish snailÕs pace of millimeters per year.
Extreme 'Rogue Wave' in The North Pacific Confirmed as Most Extreme on Record Science Alert - January 12, 2023
In November of 2020, a freak wave came out of the blue, lifting a lonesome buoy off the coast of British Columbia 17.6 meters high (58 feet). The four-story wall of water was finally confirmed in February 2022 as the most extreme rogue wave ever recorded.
Where did ocean currents come from? Live Science - November 26, 2022
Flows of water in Earth's seas have guided navigators for centuries and shaped climates for much longer. But how did ocean currents first emerge? These flows would have appeared with the planet's first oceans, around 4 billion to 4.5 billion years ago, spurred by the same forces that propel them today: winds, tides, global differences in temperature and saltiness, and the planet's rotation.
Natural nutrient enrichment 8 million years ago caused today's largest ocean 'dead zone' PhysOrg - November 1, 2022

Oxygen-starved ocean "dead zones," where fish and animals cannot survive, have been expanding in the open ocean and coastal waters for several decades as a result of human agricultural and industrial activity. Trying to predict the scale and location of future dead zones, scientists have looked to the past for historical clues.
Scientists discover mechanism that can cause collapse of great Atlantic circulation system PhysOrg - October 18, 2022
The Atlantic meridional overturning circulation (AMOC), a system of ocean currents that carry warm water from the tropics into the North Atlantic and transport cold water from the northern to the southern hemisphere, is a fundamental mechanism for the regulation of Earth's climate. The conveyor belt has collapsed in the past owing to natural factors. The most recent collapse played a key role in the last deglaciation. AMOC is now threatened by global warming, scientists have shown, and a new study has discovered the sequence of past breakdown events.
Just One Ocean - the Southern Ocean - Is Absorbing Nearly All The Excess Heat. The Effects May Be Profound Science Alert - September 8, 2022
Over the last 50 years, the oceans have been working in overdrive to slow global warming, absorbing about 40 percent of our carbon dioxide emissions, and over 90 percent of the excess heat trapped in the atmosphere.
Strange 'alien' holes discovered on the ocean floor. NOAA has asked the public for suggestions on what they could be Live Science - July 30, 2022
Explorers have discovered a series of mysterious, "perfectly aligned" holes punched into the seafloor roughly 1.6 miles (2.6 kilometers) beneath the ocean surface, and they have no idea who or what made them. The strange holes were spotted by the crew of NOAA's Okeanos Explorer vessel as they investigated the Mid-Atlantic Ridge - a mostly unexplored region of the seafloor that is part of the world's largest mountain range.
The holes form a straight line and appear at regularly repeating distances, and they are surrounded by tiny mounds of sediment. This isn't the first time that holes have been spotted in the area; two marine scientists from the U.S. National Marine Fisheries Service also spotted mysterious hollows in the ocean floor during a dive in 2004.
The unresolved mystery is reminiscent of an underwater "yellow brick road" to Atlantis that ocean explorers discovered on top of an underwater mountain near Hawaii in May. Scientists explained that discovery - they suspected that heating and cooling of the seafloor across multiple volcanic eruptions created the strange path.
What is creating the holes, on the other hand, may take a little longer to figure out. The researchers will continue to explore the region until September as part of the Voyage to the Ridge 2022 expedition, which aims to map out the region's coral reefs and sponge habitats alongside studying the region's hydrothermal vents and its fracture and rift zones. Maybe if they're lucky, they might just catch the hole-maker in the act.
In the Pacific Ocean an expedition to a deep-sea ridge, just north of the Hawaiian Islands, has revealed an ancient dried-out lake bed paved with what looks like a yellow brick road. The eerie scene was chanced upon by the exploration vessel Nautilus, which is currently surveying the Lili'uokalani ridge within Papahaanaumokakea Marine National Monument
In the Atlantis Ocean we find another ancient group of stones called the Bimini Road an underwater rock formation near North Bimini Island in the Bahamas. The Road consists of a 0.8 km (0.5 mile) long northeast-southwest linear feature composed of roughly rectangular to sub-rectangular limestone blocks. It most likely belong to an ancient civilization which some believe was once mythological Atlantis.

The Ocean Is Starting to Lose Its Memory, Scientists Warn Science Alert - May 9, 2022

The oceans that surround us are transforming. As our climate changes, the world's waters are shifting too, with abnormalities evident not only in the ocean's temperature, but also its structure, currents, and even its color.
There Are Mountains of Sugar Hidden in The Ocean, And We've Only Just Found Out Science Alert - May 5, 2022
Scientists have discovered that seagrass meadows on the ocean floor can store huge amounts of the sweet stuff underneath their waving fronds - and there are major implications for carbon storage and climate change.
Over 5,000 Previously Unknown Viruses Have Been Discovered Lurking in The Oceans Science Alert - April 8, 2022
An analysis of the genetic material in the ocean has identified thousands of previously unknown RNA viruses and doubled the number of phyla, or biological groups, of viruses thought to exist.
The Most Extreme 'Rogue Wave' on Record Was Just Confirmed in The North Pacific Science Alert - February 14, 2022
The four-story wall of water has now been confirmed as the most extreme rogue wave ever recorded.
Why did ocean productivity decline abruptly 4.6 million years ago? PhysOrg - January 18, 2022
By drilling deep down into sediments on the ocean floor researchers can travel back in time. A research team led from Uppsala University now presents new clues as to when and why a period often referred to as the 'biogenic bloom' came to an abrupt end. Changes in the shape of the Earth's orbit around the Sun may have played a part in the dramatic change. Healthy ocean systems contain healthy primary producers, such as the single-celled algae diatoms and coccolithophores, which sustain all other life in the oceans through the marine food webs. Primary producers also release oxygen and regulate the climate by taking up CO2 and binding carbon into solid components that are buried in deep-sea sediments, which is an effective long-term solution for carbon removal from the atmosphere.
Most of these algae use sunlight, CO2 and inorganic nutrients to build up their body mass. However, these nutrients are quickly exhausted in the sun-lit surface waters, if not replenished by ocean mixing or renewed by river supply.Throughout Earth's history, paleoceanographers reconstruct changes in primary productivity by looking at algal remains buried in ocean-floor sediments. Although only a small fraction of surface water production is recorded in marine sediments, on geological time scales, changes in the accumulation of biogenic sediments (including the calcareous scales of coccolithophores and siliceous shells of diatoms) are linked to past changes in ocean productivity.
Ocean Temperatures Just Smashed a New Record For The Sixth Year in a Row Science Alert - January 12, 2022
Ocean temperatures the world over are building at a relentless rate as humans continue to alter the atmosphere around them. In 2021, according to a new summary of two international datasets, the wave of warmth in our oceans hit a new peak, eclipsing the influence of cooler regional episodes. While last year's ocean warming is unprecedented, it was no exception. This is the sixth year in a row that the world's ocean temperatures have exceeded anything we've measured before. Since the late 1950s, when reliable recordings of climate change first began, each decade has hosted warmer oceans than the last. Since the 1980s, the authors of the summary say there has been an "unambiguous" increase in marine temperatures. The heat is being felt right across the board. Last year, the North Pacific Ocean, the North Atlantic Ocean, and the Mediterranean Sea all experienced the hottest marine temperatures on record.
The four posts below reference the Gulf Stream. The Gulf Stream, together with its northern extension the North Atlantic Drift, is a warm and swift Atlantic ocean current that originates in the Gulf of Mexico and stretches to the tip of Florida and follows the eastern coastlines of the United States and Newfoundland before crossing the Atlantic Ocean as the North Atlantic Current. The process of western intensification causes the Gulf Stream to be a northwards accelerating current off the east coast of North America.
It splits in two, with the northern stream, the North Atlantic Drift, crossing to Northern Europe and the southern stream, the Canary Current, recirculating off West Africa. The Gulf Stream influences the climate of the east coast of North America from Florida to Newfoundland and the west coast of Europe. Although there has been recent debate, there is consensus that the climate of Western Europe and Northern Europe is warmer than other areas of similar latitude because of the North Atlantic Current. It is part of the North Atlantic Gyre. Its presence has led to the development of strong cyclones of all types, both within the atmosphere and within the ocean. The Gulf Stream is also a significant potential source of renewable power generation. Read more
Irreversible change to Atlantic currents could drastically change Earth's weather NBC - August 6, 2021
The Atlantic Ocean's current system, an engine of the Northern Hemisphere's climate, could be weakening to such an extent that it could soon bring big changes to the world's weather.
The real-life Day After Tomorrow: The Gulf Stream is at its weakest for over 1,000 years due to climate change - and could cause temperatures in Britain to plummet 18°F if it collapses, 'scary' study warns Daily Mail - August 6, 2021
New Signs Indicate a Major Ocean Current Is on The Edge of Collapse Right Now Science Alert - August 6, 2021
If Earth had a pulse, it might be The Atlantic Meridional Overturning Circulation (AMOC) - a swirl of ocean currents that carries tropical heat north towards polar waters. Over the past century this global heartbeat has eased, slowing to a speed not seen in more than a millennium. New research based on a range of indices has now bolstered views that the weakening isn't a trivial one, and critical transition is imminent.
Gulf Stream could be veering toward irreversible collapse, a new analysis warns Live Science - August 6, 2021
One of the most crucial ocean current systems for regulating the Northern Hemisphere's climate could be on the verge of total collapse due to climate change, a new study has revealed. A collapse would have a disastrous impact on global weather systems, leading to sea-level rises in the Atlantic; greater cooling and more powerful storms across the Northern Hemisphere; and severe disruption to the rain that billions of people rely upon to grow crops in Africa, South America and India, according to the U.K.'s meteorological office.
Hunks of oceanic crust are wedged inside Earth's mantle Live Science - June 9, 2021
Earth's middle layer is chunky, like peanuts in a sea of caramel.
Oceans' extreme depths measured in precise detail BBC - May 12, 2021
Scientists say we now have the most precise information yet on the deepest points in each of Earth's five oceans. The key locations where the seafloor bottoms out in the Pacific, Atlantic, Indian, Arctic and Southern oceans were mapped by the Five Deeps Expedition. Some of these places, such as the 10,924m-deep (6.8 miles) Mariana Trench in the western Pacific, had already been surveyed several times. But the Five Deeps project removed a number of remaining uncertainties. For example, in the Indian Ocean, there were two competing claims for the deepest point - a section of the Java Trench just off the coast of Indonesia; and a fracture zone to the southwest of Australia.
Scientists Discover an Immense, Unknown Hydrocarbon Cycle Hiding in The Oceans Science Alert - February 4, 2021
Researchers have uncovered a whole new cycle of natural hydrocarbon emissions and recycling facilitated by a diverse range of tiny organisms - which could help us better understand how some microbes have the power to clean up the mess an oil spill leaves in the ocean.
The Arctic Ocean was covered by a shelf ice and filled with freshwater PhysOrg - February 3, 2021
About 60,000 to 70,000 years ago, in a particularly cold part of the last glacial period, large parts of Northern Europe and North America were covered by ice sheets. The European ice sheet spanned a distance of more than 5000 kilometers, from Ireland and Scotland via Scandinavia to the Eastern rim of the Kara Sea (Arctic Ocean). In North America, large parts of what is now known as Canada were buried under two large ice sheets. Greenland and parts of the Bering Sea coastline were glaciated too. What was the ice situation like even further North, in the Arctic Ocean? Was it covered by thick sea-ice, or maybe with the tongues of these vast ice sheets were floating on it, far beyond the North Pole?
I always pay attention to the Mid-Atlantic Ridge as a precursor for end times. Most people follow increasing earthquake activity in the Pacific as well as the recently split Indian Ocean Plate but I live on the Atlantic seaboard and this is what rings true for me. The bottom line is all of the tectonic plates are broken so it's just a matter of time until the first 'domino' falls as the others follow suit.
The Atlantic Ocean is widening. Here's why. Live Science - January 28, 2021
Live Science - January 39, 2021
The Atlantic Ocean is getting wider, shoving the Americas to one side and Europe and Africa to the other. But it's not known exactly how.
A new study suggests that deep beneath the Earth's crust, in a layer called the mantle, sizzling-hot rocks are rising up and pushing on tectonic plates - those rocky jigsaw pieces that form Earth's crust - that meet beneath the Atlantic. Previously, scientists thought that the continents were mostly being pulled apart as the plates beneath the ocean moved in opposite directions and crashed into other plates, folding under the force of gravity. But the new study suggests that's not the whole picture. The research began in 2016, when a group of researchers set sail on a research vessel to the widest part of the Atlantic Ocean between South America and Africa; in other words, to the middle of nowhere.
Scientists have identified an old piece of the Pacific Ocean - the ancient remains of its long-ago seabed - extending hundreds of miles underneath China, as it is pulled downward into Earth's mantle transition zone Science Alert - November 17, 2020

Scientists have identified an old piece of the Pacific Ocean Ð the ancient remains of its long-ago seabed Ð extending hundreds of miles underneath China, as it is pulled downward into Earth's mantle transition zone. This rocky slab that used to line the bottom of the Pacific is a relic of the oceanic lithosphere, the outermost layer of Earth's surface, composed of the crust and the solid outermost parts of the upper mantle. The lithosphere isn't always destined to enjoy the views up top, however. The upper surface layer is composed of several fragmented tectonic plates, which slowly move and shift around at the surface, occasionally running into each other. During these collisions, a geological process called subduction can occur, where one plate gets forced under the other at subduction zones, and ends up being driven ever deeper into the planet.
A Tiny Atlantic Island Just Protected a Giant, Pristine Stretch of the Ocean Smithsonian - November 16, 2020
The government of Tristan da Cunha, a tiny British territory in the middle of the southern Atlantic Ocean, took a major step forward in marine conservation last week when it established the largest marine protected area (MPA) in the Atlantic and the fourth largest in the world. Located halfway between South Africa and Argentina, Tristan da Cunha is home to around 250 residents nearly, making it one of the most remote inhabited islands on Earth. A remarkable abundance of wildlife also resides on or around the territory's four islands, including endangered yellow-nosed albatross, sevengill sharks, rockhopper penguins and 11 species of whales and dolphins, reports Danica Kirka for the Associated Press. Protecting the ocean doesn't just protect the creatures in the water; it also safeguards the feeding grounds of millions of seabirds that inhabit the islands.
Recent Atlantic ocean warming unprecedented in nearly 3,000 years PhysOrg - October 16, 2020
Taking advantage of unique properties of sediments from the bottom of Sawtooth Lake in the Canadian High Arctic, climate scientists have extended the record of Atlantic sea-surface temperature from about 100 to 2,900 years, and it shows that the warmest interval over this period has been the past 10 years.
Gigantic Sea Scorpions, Some Larger Than Humans, Hunted in Ancient Oceans Science Alert - July 6, 2020
During Earth's history, between 541 million and 252 million years ago, arthropods (animals with exoskeletons such as insects, crustaceans, scorpions, and horseshoe crabs) were exploring the extremes of size, from tiny to huge. In fact, some Paleozoic arthropods represent the largest animals on Earth at the time. If you were to take a swim in the Paleozoic oceans, you may have been fortunate (or unfortunate) enough to find one of the most fearsome of these extinct arthropods: the sea scorpions, Eurypterida. Our new research, published in Gondwana Research, is the most comprehensive collection of information on these fascinating creatures that once roamed Australian waters.
Flashes bright when squeezed tight: How single-celled organisms light up the oceans PhysOrg - July 6, 2020
Research explains how a unicellular marine organism generates light as a response to mechanical stimulation, lighting up breaking waves at night. Every few years, a bloom of microscopic organisms called dinoflagellates transforms the coasts around the world by endowing breaking waves with an eerie blue glow. This year's spectacular bloom in southern California was a particularly striking example. In a new study published in the journal Physical Review Letters, researchers have identified the underlying physics that results in light production in one species of these organisms.
One-fifth of Earth's ocean floor is now mapped BBC - June 21 2020

The initiative that seeks to galvanize the creation of a full map of the ocean floor says one-fifth of this task has now been completed.
When the Nippon Foundation-GEBCO Seabed 2030 Project was launched in 2017, only 6% of the global ocean bottom had been surveyed to what might be called modern standards. That number now stands at 19%, up from 15% in just the last year. Some 14.5 million sq km of new bathymetric (depth) data was included in the GEBCO grid in 2019 - an area equivalent to almost twice that of Australia.
It does, however, still leave a great swathe of the planet in need of mapping to an acceptable degree.
'A bad time to be alive': Study links ocean deoxygenation to ancient die-off PhysOrg - April 14, 2020

In a new study, Stanford researchers have strongly bolstered the theory that a lack of oxygen in Earth's oceans contributed to a devastating die-off approximately 444 million years ago. The new results further indicate that these anoxic (little- to no-oxygen) conditions lasted over 3 million years - significantly longer than similar biodiversity-crushing spells in our planet's history.
Ocean Temperatures Have Reached a Record-Breaking High Live Science - January 14, 2020
Our planet's oceans are warmer than they've ever been in recorded human history. And ocean temperatures are not only increasing, they are heating up at an accelerating rate, according to a new analysis. In 2019, the ocean temperature was about 0.135 degrees Fahrenheit (0.075 degrees Celsius) higher than the average between 1981 and 2010, an international group of researchers
Climate change: Oceans running out of oxygen as temperatures rise
Climate change and nutrient pollution are driving the oxygen from our oceans, and threatening many species of fish.
That's the conclusion of the biggest study of its kind, undertaken by conservation group IUCN.
While nutrient run-off has been known for decades, researchers say that climate change is making the lack of oxygen worse.
Around 700 ocean sites are now suffering from low oxygen, compared with 45 in the 1960s.
Scientists map huge undersea fresh-water aquifer off U.S. Northeast Science Daily - June 24, 2019
In a new survey of the sub-seafloor off the U.S. Northeast coast, scientists have made a surprising discovery: a gigantic aquifer of relatively fresh water trapped in porous sediments lying below the salty ocean. It appears to be the largest such formation yet found in the world.
A Massive Freshwater Sea Is Buried Beneath the Atlantic Ocean Live Science - June 24, 2019
A gigantic freshwater aquifer is hiding under the salty Atlantic Ocean, just off the northeastern coast of the United States, a new study finds. While the aquifer's exact size is still a mystery, it may be the largest of its kind, taking up a region stretching from at least Massachusetts to southern New Jersey, or nearly 220 miles (350 kilometers). The area includes the coastlines of New York, Connecticut and Rhode Island. This aquifer may contain about 670 cubic miles (2,800 cubic kilometers) of slightly salty water (we'll explain its slight saltiness later). This water isn't young, either. The researchers said they suspect that much of it is from the last ice age.
Earth recycles ocean floor into diamonds Science Daily - May 30, 2019
Most diamonds are made of cooked seabed. The diamond on your finger is most likely made of recycled seabed cooked deep in the Earth. Traces of salt trapped in many diamonds show the stones are formed from ancient seabeds that became buried deep beneath the Earth's crust, according to new research.
Confirmed: Earth Is Crushing the Ocean into Salty Diamonds Live Science - May 30, 2019
It's been said that diamonds are forever - probably because "diamonds are billion-year-old mutant rocks exposed to many lifetimes of crushing pressures and scorching temperatures in Earth's deep mantle" doesn't have the same snappy ring to it. Either way, it takes a long, long time for a chunk of carbon to crystallize into a sparkling diamond - so long, in fact, that scientists aren't positive how they're made.
One popular theory maintains that many diamonds form when slabs of seabed (part of an oceanic plate) grind underneath continental plates at so-called tectonic subduction zones. During the process, the oceanic plate and all the minerals at the bottom of the sea plunge hundreds of miles into Earth's mantle, where they slowly crystallize under high temperatures and pressures tens of thousands of times greater than those on the surface. Eventually, these crystals mix in with volcanic magma called kimberlite and burst onto the planet's surface as diamonds. Support for this theory can be found in the oceanic minerals that give blue stones - like the infamous (and possibly cursed) Hope diamond - their signature hue. However, these diamonds are among the deepest, rarest and most expensive on Earth, making them hard to study.
Scientists on a Sailboat Just Found Nearly 200,000 Viruses Hiding in Earth's Oceans Live Science - April 25, 2019
Scientists aboard a single sailboat have identified nearly 200,000 marine virus species, increasing the number of known marine viruses from the 15,000 documented in previous surveys. The new survey has revealed new details about the distribution of marine viruses across the ocean ecosystem. Viruses exist at the fringes of life. They don't have cells or perform normal biological processes or independently reproduce. Instead, they're more or less bags of genetic material that bump into living cells and inject those cells with the genetic instructions to produce more viruses.
Researchers find bottom of Pacific getting colder, possibly due to Little Ice Age PhysOrg - January 4, 2019
Researchers have found evidence of deep ocean cooling that is likely due to the Little Ice Age. Prior research has suggested that it takes a very long time for water in the Pacific Ocean to circulate down to its lowest depths. This is because it is replenished only from the south, which means it takes a very long time for water on the surface to make its way to the bottom - perhaps as long as several hundred years.
The Earth Is Eating Its Own Oceans Live Science - November 15, 2018
As Earth's tectonic plates dive beneath one another, they drag three times as much water into the planet's interior as previously thought.
Using the natural seismic rumblings of the earthquake-prone subduction zone at the Marianas trench, where the Pacific plate is sliding beneath the Philippine plate, researchers were able to estimate how much water gets incorporated into the rocks that dive deep below the surface. The find has major ramifications for understanding Earth's deep water cycle. Water beneath the surface of the Earth can contribute to the development of magma and can lubricate faults, making earthquakes more likely.
Scientists rethink co-evolution of marine life, oxygenated oceans PhysOrg - June 2, 2018
A research paper stems from a multi-year, multinational effort that rethinks the causes and impacts of increased oxygenation on the continental shelves during the current Phanerozoic Eon, which began more than 542 million years ago. Most studies of oxygen history focus on the atmosphere and deep oceans, with implications on the evolution of life. Researchers believe the oceanic oxygen level in the water column above the continental shelves [i.e., the upper ocean] may have been a different beast.
New Zealand: Monster ocean wave sets southern hemisphere record: scientists PhysOrg - May 11, 2018
Scientists have recorded what is believed to be the largest wave ever in the southern hemisphere, a 23.8 metre (78 foot) monster the height of an eight-floor building. A buoy recorded the wave on Tuesday during a ferocious storm in the notoriously wild Southern Ocean near Campbell Island, some 700 kilometres (430 miles) south of New Zealand, research body MetOcean Solutions said.
Senior oceanographer Tom Durrant said it wiped out the previous southern-hemisphere record of 22.03 metres recorded in 2012.
This Is What It Sounds Like at the Bottom of the Ocean Live Science - April 25, 2018
An underwater microphone is now live-broadcasting what the depths of the ocean sound like - and you can tune in whenever you feel like taking a dip, er, dive (in the arms of a submersible).
Atlantic Ocean circulation at weakest point in more than 1,500 years Science Daily - April 11, 2018
New research provides evidence that a key cog in the global ocean circulation system hasn't been running at peak strength since the mid-1800s and is currently at its weakest point in the past 1,600 years. If the system continues to weaken, it could disrupt weather patterns from the United States and Europe to the African Sahel, and cause more rapid increase in sea level on the US East Coast.
Earth had water before the giant impact that created the moon: Breakthrough study suggests life may be more widespread in the universe than thought Daily Mail - March 28, 2018
A new study about the origins of the Earth's oceans suggests there is even more chance of life existing beyond this solar system than previously thought. Scientists now know that liquid surface water was present on Earth before the planet-scale 'giant impact' that created the moon. Previously it was believed some - if not all - of the water in the ocean came from later bombardments of asteroids and comets.
The fact that liquid water can survive catastrophic impacts by planet-sized bodies means it should be abundant on worlds in other star systems.
The Bottom of the Ocean Is Sinking Live Science - January 4, 2018
In recent decades, melting ice sheets and glaciers driven by climate change are swelling Earth's oceans. And along with all that water comes an unexpected consequence - the weight of the additional liquid is pressing down on the seafloor, causing it to sink. Consequently, measurements and predictions of sea-level rise may have been incorrect since 1993, underestimating the growing volume of water in the oceans due to the receding bottom, according to a new study.
The oceans were once colder than previously believed PhysOrg - October 26, 2017
According to the methodology widely used by the scientific community, the temperature of the ocean depths 100 million years ago was around 15 degrees higher than current readings. This approach, however, is now being challenged: ocean temperatures may in fact have remained relatively stable throughout this period, which raises serious concerns about current levels of climate change.
Stunning 'iceberg doodles' reveal how glaciers have transformed the ocean floor at Earth's poles Daily Mail - April 25, 2017
The Atlas of Submarine Glacial Landforms has been compiled by an international team of over 250 marine geologists and glaciologists over the last four years. The atlas charts the seafloor of both Polar Regions, and could allow researchers to interpret the history of Earth's large ice sheets, and the effect of environmental changes on the continents. An area the size of the UK is included in the book, showcasing a range of geological phenomena, including iceberg doodles and glacial lineations Ð ridges up to 10 kilometres long moulded on the beds of glaciers. More than 35 individual landforms feature, ranging from dramatic features in the East Siberian permafrost to trough-mouth fans - enormous sediment deposits that build up at the mouths of the largest glaciers.
62-Foot Wave Off Iceland Smashes World Record Live Science - December 26, 2016
A monstrous swell in the North Atlantic that rose up as high as a six-story building is now the world's tallest wave measured by a buoy, according to the World Meteorological Organization (WMO). The wave crashed down the morning of Feb. 4, 2013, in the watery expanse between Iceland and the United Kingdom, at approximately 59 degrees N, 11 degrees W. It occurred after a strong cold front passed through the area, producing winds of up to 50.4 mph (43.8 knots), the WMO reported. The North Atlantic is a prime setting for smashing big-wave records. The previous buoy-measured record of 59.96 feet (18.275 m) also occurred in the North Atlantic, on Dec. 8, 2007, as did the tallest wave measured from a ship - a 95.03-foot-tall (29.05 m) swell on Feb. 8, 2000, the organization said.
Atlantic wave biggest ever recorded BBC - December 14, 2016
The highest-ever wave of 19 metres (62.3ft) has been recorded in the North Atlantic. An automated buoy recorded the wave in the ocean between Iceland and the United Kingdom, the World Meteorological Organization said. It was created in the aftermath of a very strong cold front with 43.8 knot (50.4mph) winds on 4 February 2013. The WMO, which released the data, said the previous record was 18.275 metres (59.96ft) in December 2007. That wave was also in the North Atlantic.
How far did ancient sea level rise? PhysOrg - November 2, 2016
Figuring out how far sea level rose during past warm periods in Earth's history starts with a walk on the beach, a keen eye for evidence of ancient shorelines, and a highly accurate GPS system. The math isn't as simple as subtracting the distance from the old shoreline to the water's edge, though. As massive ice sheets retreated during past ice ages, their weight on the land below lifted and the land rebounded. On longer time scales, circulation within the Earth's mantle has changed the shape and height of the crust, as well. In Western Australia researchers spent weeks walking the coast with heavy packs this summer, documenting the height and location of old shorelines and chipping off samples to take back to the lab.
Life in ancient oceans enabled by erosion from land PhysOrg - September 26, 2016
As scientists continue finding evidence for life in the ocean more than 3 billion years ago, those ancient fossils pose a paradox. Organisms, including the single-celled bacteria living in the ocean at that early date, need a steady supply of phosphorus, but "it's very hard to account for this phosphorus unless it is eroding from the continents. So that makes it really hard to explain the fossils we see at this early era.
Massive 'Lava Lamp' Blobs Deep Inside Earth Have Scientists Puzzled Live Science - July 5, 2016
Two continent-size blobs of hot - and possibly molten - rock can be found deep underground, about halfway to the center of the Earth, according to a new study. These curious structures - each of which is so large that it would be 100 times taller than Mount Everest - could be made up of materials that may shed light on how the Earth formed, the researchers said. One of the blobs is located beneath the Pacific Ocean, and the other can be found beneath the Atlantic. These underground structures start where the Earth's mantle meets the core, but they send "plumes" up through the rock like a Lava Lamp, the researchers said. Scientists now think these masses differ from the surrounding rock in more than just temperature. They're also "compositionally distinct," meaning they could contain materials not typically found in the rest of the Earth's mantle. Yet even some of the most basic information about the blobs is still a mystery.
Caribbean Sea's Curious 'Whistle' Detected from Space Science Daily - June 24, 2016
The murmur of lapping ocean waves and the crash of breaking surf are familiar to any beachgoer. But scientists recently discovered a remarkable ocean sound unlike any other, produced by a unique combination of water movement and underwater geography in the Caribbean Sea. While the sound is at a frequency inaudible to human ears about 28 octaves below the lowest note on a piano, according to the researchers it can be detected in space, from the disruptions it causes in Earth's gravity field. Bounded by South America, Central America and the Caribbean islands, the semi-enclosed basin of the Caribbean Sea acts like the body of a giant whistle, the scientists wrote in the study. And what produces the sound is a recurring but very slow-moving and low-amplitude wave pattern that travels the length of the sea in a 120-day cycle.
Ocean temps predict US heat waves 50 days out Science Daily - March 29, 2016
The formation of a distinct pattern of sea surface temperatures in the middle of the North Pacific Ocean can predict an increased chance of summertime heat waves in the eastern half of the United States up to 50 days in advance. The pattern is a contrast of warmer-than-average water butting up against cooler-than-average seas. When it appears, the odds that extreme heat will strike during a particular week--or even on a particular day--can more than triple, depending on how well-formed the pattern is.
Revealed - the single event that made complex life possible in our oceans PhysOrg - December 1, 2015
The catalyst that allowed the evolution of complex life in Earth's oceans has been identified by a University of Bristol researcher. Up to 800 million years ago, the Earth's oceans were deprived of oxygen. It was only when microorganisms called phytoplankton, capable of performing photosynthesis, colonized the oceans - covering two thirds of our planet - that production of oxygen at a massive scale was made possible.
Video: Cold Atlantic 'blob' puzzles scientists CNN - September 30, 2015
At first glance, it stands out like a sore thumb. That blob of blue and purple on the map. One of the only places on the globe that is abnormally cold in a year that will likely shatter records as the warmest globally. It's being called the Atlantic "blob." It's a large area in the North Atlantic that is seeing a pronounced cooling trend. The ocean surface is much cooler than normal and in fact record cold in some locations. Scientists began to notice it developing over the last couple of years, this cooling in the Atlantic is the complete opposite of the warming over in the Pacific. Much of the warming is attributed to El Nino, a natural process where warm water sloshes over the Central Pacific and extends to South America, but scientists are unable to completely explain what has been dubbed the Pacific Blob. This pronounced warming over large areas of the entire Pacific basin has fueled a well above average season for hurricanes and typhoons over the entire Pacific, and could have contributed to everything from the California drought, impacts on the salmon industry, and even tropical sharks seen in waters further north than ever before.
Should we fear the North Atlantic Blob? Climate scientists warn record cold in ocean may be a sign of changes to ocean currents Daily Mail - September 30, 2015
The planet is on course to experience one of its warmest years on record, but scientists have been left baffled by a massive cold patch in the North Atlantic Ocean. The area, which lies just to the south of Greenland and Iceland, is showing some of the coldest temperatures ever recorded for the region. It comes at a time large parts of the world are experiencing some of the hottest on record, raising fears the recent 'pause' in global warming has come to an end.
Repeated marine predator evolution tracks changes in ancient and Anthropocene oceans Science Daily - April 16, 2015
Scientists synthesized decades of scientific discoveries to illuminate the common and unique patterns driving the extraordinary transitions that whales, dolphins, seals and other species underwent as they moved from land to sea. Drawing on recent breakthroughs in diverse fields such as paleontology, molecular biology and conservation ecology, their findings offer a comprehensive look at how life in the ocean has responded to environmental change from the Triassic to the Anthropocene.
Greatest mass extinction driven by acidic oceans, study finds Live Science - April 10, 2015
The event, which took place 252 million years ago, wiped out more than 90 per cent of marine species and more than two-thirds of the animals living on land. It happened when Earth's oceans absorbed huge amounts of carbon dioxide from volcanic eruptions, researchers say.
Oxygen-depleted toxic oceans had key role in mass extinction over 200 million years ago Science Daily - April 1, 2015
Changes in the biochemical balance of the ocean were a crucial factor in the end-Triassic mass extinction, during which half of all plant, animal and marine life on Earth perished, according to new research. The study, published in the upcoming edition of Geology, reveals that a condition called 'marine photic zone euxinia' took place in the Panathalassic Ocean - the larger of the two oceans surrounding the supercontinent of Pangaea. Photic zone euxinia occurs when the sun-lit surface waters of the ocean become devoid of oxygen and are poisoned by hydrogen sulphide -- a by-product of microorganisms that live without oxygen that is extremely toxic to most other lifeforms. The international team of researchers studied fossilized organic molecules extracted from sedimentary rocks that originally accumulated on the bottom of the north-eastern Panthalassic Ocean, but are now exposed on the Queen Charlotte Islands, off the coast of British Columbia, Canada.
Mystery of where Earth's water came from deepens PhysOrg - December 10, 2014
The mystery of where Earth's water came from got murkier Wednesday when some astronomers essentially eliminated one of the chief suspects: comets. Over the past few months, the European Space Agency's Rosetta space probe closely examined the type of comet that some scientists theorized could have brought water to our planet 4 billion years ago. It found water, but the wrong kind
Breakup of ancient supercontinent Pangea hints at future fate of Atlantic Ocean PhysOrg - December 1, 2014
Breakup of ancient supercontinent Pangea hints at future fate of Atlantic Ocean ... Pangea, the supercontinent that contained most of the Earth's landmass until about 180 million years ago, endured an apocalyptic undoing during the Jurassic period, when the Atlantic Ocean opened up. This is well understood. But what is less clear is how Pangea came into being in the first place.
Subducting oceanic plates are thinning adjacent continents PhysOrg - November 14, 2014
The continental margins of plates on either side of the Atlantic Ocean are thinner than expected, and an international team led by a Rice University scientist is using an array of advanced tools to understand why. According to Alan Levander, lead author of a new paper in Nature and the Carey Croneis Professor of Earth Science at Rice, the viscous bottom layers of the continental shelves beneath the Gibraltar arc and northeastern South America are literally being pulled off by adjacent subducting oceanic plates.
Warmest oceans ever recorded PhysOrg - November 14, 2014
This summer has seen the highest global mean sea surface temperatures ever recorded since their systematic measuring started. Temperatures even exceed those of the record-breaking 1998 El Nino year. From 2000-2013 the global ocean surface temperature rise paused, in spite of increasing greenhouse gas concentrations.
Satellites detect 'thousands' of new ocean-bottom mountains BBC - October 3, 2014
It is not every day you can announce the discovery of thousands of new mountains on Earth, but that is what a US-European research team has done. What is more, these peaks are all at least 1.5km high. The reason they have gone unrecognized until now is because they are at the bottom of the ocean. The roughness of the seafloor is important also as it steers currents and promotes mixing - behaviors that are critical to understanding how the oceans transport heat and influence the climate.
Harnessing the Energy of Ocean Currents Live Science - August 5, 2014
A group of scientists and engineers wants to build giant, underwater turbines, which they think could provide a source of limitless clean energy. The Crowd Energy project grew out of a desire to find a source of limitless clean energy, as an alternative to fossil fuels and nuclear energy.
The energetic origins of life PhysOrg - June 13, 2014

Imagination is perhaps the most powerful tool we have for creating the future. The same might be said when it comes to creating the past, especially as it pertains to origin of life. Under what conditions did the energetic processes of life first evolve? That question is the subject of a remarkable perspective piece just published in Science. Authors William Martin, Filipa Sousa, and Nick Lane come to the startling conclusion that the energy-harvesting system in ancient microbes can best be understood if it is viewed a microcosm of the larger-scale geochemical processes of the day. In particular, they imagine a process by which natural ion gradients in alkaline hydrothermal vents, much like the "Lost City" ecosystem still active in the mid-Atlantic today, ignited the ongoing chemical reaction of life.
New evidence for oceans of water deep in the Earth PhysOrg - June 13, 2014
Researchers from Northwestern University and the University of New Mexico report evidence for potentially oceans worth of water deep beneath the United States. Though not in the familiar liquid form the ingredients for water are bound up in rock deep in the Earth's mantle - the discovery may represent the planet's largest water reservoir.
Vast Freshwater Reserves Found Beneath the Oceans Science Daily - December 8, 2013
Scientists have discovered huge reserves of freshwater beneath the oceans kilometres out to sea, providing new opportunities to stave off a looming global water crisis. A new study, published December 5 in the international scientific journal Nature, reveals that an estimated half a million cubic kilometres of low-salinity water are buried beneath the seabed on continental shelves around the world. The water, which could perhaps be used to eke out supplies to the world's burgeoning coastal cities, has been located off Australia, China, North America and South Africa.
Ocean and climate: The new theory PhysOrg - October 14, 2013
Is this the end of a scientific paradigm on the effects of climate change? It would seem that global warming is not intensifying the rise of cold deep water, a phenomenon known as upwelling, characteristic of certain coastal zones. For over twenty years, specialists have believed that climate change is reinforcing the trade winds at the origin of these phenomena, thereby cooling the surface water. A new study, led by a team from the IRD and its partners, off the coast of West Africa, has shown that this is not the case for the ecosystem of the Canary Current. On the contrary, it reveals that the coastal waters from Morocco to Senegal have been getting warmer for the past 40 years.
Newly Discovered Ocean Plume Could Be Major Source of Iron Science Daily - August 20, 2013
Scientists have discovered a vast plume of iron and other micronutrients more than 1,000 km long billowing from hydrothermal vents in the South Atlantic Ocean. The finding, soon to be published in the journal Nature Geoscience, calls past estimates of iron abundances into question, and may challenge researchers' assumptions about iron sources in the world's seas. Iron is a critical element for ocean life. Iron is known to spur the growth of phytoplankton in many marine habitats, especially those important in the ocean's carbon cycle, which, in turn, impacts atmospheric carbon dioxide levels and Earth's climate. Because more than half the world's seafloor ridges are slow-spreading, the team's discovery suggests there may be far more iron from these locations than previously estimated.
Huge 'Dead Zone' Predicted in Gulf of Mexico Live Science - June 19, 2013
A very large dead zone, an area of water with no or very little oxygen, is expected to form in the Gulf of Mexico this year - a trend in recent years, according to the National Oceanic and Atmospheric Administration (NOAA). Meanwhile, models predict the dead zone in the Chesapeake Bay will be smaller than usual. The makings of a dead zone begin with nutrient pollution, primarily fertilizers and agricultural runoff. Once these excess nutrients reach the ocean, they fuel algae blooms. The algae then die and decompose in a process that consumes oxygen and creates lifeless areas where fish and other aquatic creatures can't survive. This zone can have serious impacts on commercial and recreational fisheries on the Gulf Coast.
Earth's interior cycles contributor to long-term sea-level and climate change, scientists conclude PhysOrg - March 18, 2013
Ancient rises in sea levels and global warming are partially attributable to cyclical activity below the earth's surface. Changes spurred by the earth's interior are gradual, taking place in periods ranging from 60 million to 140 million years - far less rapidly than those brought on by human activity.
Microfossils Reveal Secrets of Ancient Ocean Changes Live Science - November 8, 2012
No matter how many times you've been in the ocean, you've probably never noticed foraminifera. But "forams," as scientists call these microscopic organisms for short, are everywhere - from the water surface to the seafloor, all around the world. They've been here since before the time of the dinosaurs, and now they're revealing vital information about the history of the world we live in.
Here's how: As forams grow, their tiny shells record the chemical and physical conditions of the ocean, which are tightly linked to those of the atmosphere. When they die, they collect on the seafloor, where settling sediment and other dead organisms eventually bury them. Some forams are preserved as microfossils. Over hundreds of millions of years, these microfossils have stacked up on the seafloor to form an incredible natural archive of ocean and climate data.
Oceans' deepest depth re-measured BBC - December 7, 2011
US scientists have mapped the deepest part of the world's oceans in greater detail than ever before. The Mariana Trench in the western Pacific runs for about 2,500km and extends down to 10,994m. This measurement for the deepest point - known as Challenger Deep - is arguably the most precise yet. The survey, conducted by the Center for Coastal and Ocean Mapping (CCOM), was completed to help determine the exact extent of US waters in the region.
Undersea mountains march into the abyss BBC - December 6, 2011
Startling new images from the depths of the Pacific Ocean reveal one of Earth's most violent processes: the destruction of massive underwater mountains. The pictures were created by sonar in waters up to 6km (4mi) deep. They expose how tectonic action is dragging giant volcanoes into a chasm in the seabed. The volcanoes are strung across several thousand kilometres of ocean floor and are moving westward on the Pacific tectonic plate at up to 6cm per year. The extraordinary scene was captured along the Tonga Trench during a research expedition last summer.
New technique unlocks secrets of ancient ocean PhysOrg - October 11, 2011
Earth's largest mass extinction event, the end-Permian mass extinction, occurred some 252 million years ago. An estimated 90 percent of Earth's marine life was eradicated. To better understand the cause of this "mother of all mass extinctions," researchers from Arizona State University and the University of Cincinnati used a new geochemical technique. The team measured uranium isotopes in ancient carbonate rocks and found that a large, rapid shift in the chemistry of the world's ancient oceans occurred around the extinction event.
Evidence for a persistently iron-rich ocean changes views on Earth's early history PhysOrg - September 8, 2011
Over the last half a billion years, the ocean has mostly been full of oxygen and teeming with animal life. But earlier, before animals had evolved, oxygen was harder to come by. Now a new study led by researchers at the University of California, Riverside reveals that the ancient deep ocean was not only devoid of oxygen but also rich in iron, a key biological n
Oxygen's challenge to early life PhysOrg - January 5, 2011
The conventional view of the history of the Earth is that the oceans became oxygen-rich to approximately the degree they are today in the Late Ediacaran Period (about 600 million years ago) after staying relatively oxygen-poor for the preceding four billion years. But biogeochemists at the University of California, Riverside have found evidence that shows that the ocean went back to being "anoxic" or oxygen-poor around 499 million years ago, soon after the first appearance of animals on the planet, and remained anoxic for 2-4 million years. What's more, the researchers suggest that such anoxic conditions may have been commonplace over a much broader interval of time, with their data capturing a particularly good example.
Mystery of Ancient Extinction in Earth's Oceans Revealed Live Science - January 4, 2011
About 375 million years ago, the diversity of species in the Earth's oceans plummeted - not because more species were going extinct, but because fewer new groups of organisms were forming. A new study identifies a culprit: invasive species. The crisis of the Late Devonian Period is typically considered to be one of the "Big Five" mass extinctions; however, this terminology is inaccurate, according to Alycia Stigall, the study researcher and an associate professor of geology at Ohio University.
Plankton decline across oceans as waters warm BBC - July 28, 2010
The amount of phytoplankton - tiny marine plants - in the top layers of the oceans has declined markedly over the last century, research suggests. Ssay the decline appears to be linked to rising water temperatures. They made their finding by looking at records of the transparency of sea water, which is affected by the plants. The decline - about 1% per year - could be ecologically significant as plankton sit at the base of marine food chains
Marine Biodiversity Strongly Linked to Ocean Temperature Science Daily - July 29, 2010
In an unprecedented effort that will be published online on the 28th of July by the international journal Nature, a team of scientists mapped and analyzed global biodiversity patterns for over 11,000 marine species ranging from tiny zooplankton to sharks and whales. The researchers found striking similarities among the distribution patterns, with temperature strongly linked to biodiversity for all thirteen groups studied. These results imply that future changes in ocean temperature, such as those due to climate change, may greatly affect the distribution of life in the sea.
Oceans' deteriorating health nearing 'irreversible' PhysOrg - July 5, 2010
A sobering new report warns that oceans face a "fundamental and irreversible ecological transformation" not seen in millions of years as greenhouse gases and climate change already have affected temperature, acidity, sea and oxygen levels, the food chain and possibly major currents that could alter global weather.
New insights into volcanic activity on the ocean floor PhysOrg - June 16, 2010
New research reveals that when two parts of the Earth's crust break apart, this does not always cause massive volcanic eruptions. The study, published today in the journal Nature, explains why some parts of the world saw massive volcanic eruptions millions of years ago and others did not.
Amazing 2010 Ocean Photography NBC - June 7, 2010
View 28 Photos
Study Calculates Volume and Depth of the World's Oceans PhysOrg - May 20, 2010
ow high is the sky? Scientists have a pretty good handle on that one, what with their knowledge of the troposphere, stratosphere an the other "o-spheres." Now, thanks to new work headed by the Woods Hole Oceanographic Institution (WHOI), they are closing in on the other half of that age-old query: How deep is the ocean?
Scientists link ocean acidification to prehistoric mass extinction PhysOrg - April 28, 2010
New evidence gleaned by analyzing calcium embedded in Chinese limestone suggests that volcanoes, which spewed massive amounts of carbon dioxide into the atmosphere for a million years, caused the biggest mass extinction on Earth.
The Bloop: A Mysterious Sound from the Deep Ocean NASA - April 27, 2010
What created this strange sound in Earth's Pacific Ocean? Pictured above is a visual representation of a loud and unusual sound, dubbed a Bloop, captured by deep sea microphones in 1997. In the above graph, time is shown on the horizontal axis, deep pitch is shown on the vertical axis, and brightness designates loudness. Although Bloops are some of the loudest sounds of any type ever recorded in Earth's oceans, their origin remains unknown. The Bloop sound was placed as occurring several times off the southern coast of South America and was audible 5,000 kilometers away. Although the sound has similarities to those vocalized by living organisms, not even a blue whale is large enough to croon this loud. The sounds point to the intriguing hypothesis that even larger life forms lurk in the unexplored darkness of Earth's deep oceans. A less imagination-inspiring possibility, however, is that the sounds resulted from some sort of iceberg calving. No further Bloops have been heard since 1997, although other loud and unexplained sounds have been recorded.
Massive Asphalt Volcanoes Discovered on Seafloor Live Science - April 26, 2010
Hidden in the murky depths of the Pacific Ocean off the coast of California, a series of asphalt volcanoes rise from the seafloor. The underwater domes are like giant parking lots, teeming with life and belching methane. The asphalt was spewed into the sea 40,000 years ago and hardened, scientists explained today. The domes are located about 10 miles (16 kilometers) off the Santa Barbara coastline of California, at the bottom of the Santa Barbara Channel.
Massive Southern Ocean current discovered PhysOrg - April 26, 2010
A deep ocean current with a volume equivalent to 40 Amazon Rivers has been discovered by Japanese and Australian scientists near the Kerguelen plateau, in the Indian Ocean sector of the Southern Ocean, 4,200 kilometres south-west of Perth.
Scientists Explore Origins of 'Supervolcanoes' on the Sea Floor PhysOrg - April 10, 2010
"Supervolcanoes" have been blamed for multiple mass extinctions in Earth's history, but the cause of their massive eruptions is unknown.
Ancient Supervolcano Created Giant Underwater Mountain Chain Live Science - April 10, 2010
Roughly a dozen supervolcanoes currently exist. Some are on land, while others lie at the bottom of the ocean. Each has produced several million cubic miles of lava - about three hundred times the volume of all the Great Lakes combined - dwarfing the amount of lava produced by the Hawaiian volcanoes or the Icelandic volcano that erupted recently.
The sea level has been rising and falling over the last 2,500 years PhysOrg - January 26, 2010
Rising and falling sea levels over relatively short periods do not indicate long-term trends. An assessment of hundreds and thousands of years shows that what seems an irregular phenomenon today is in fact nothing new.
Geoscientists Drill Deepest Hole in Ocean Crust in Scientific Ocean Drilling History PhysOrg - January 25, 2010
For eight weeks beginning in November 2009, off the coast of New Zealand, an international team of 34 scientists and 92 support staff and crew on board the scientific drilling vessel JOIDES Resolution (JR) were at work investigating sea-level change in a region called the Canterbury Basin. It proved to be a record-breaking trip for the research team.
Study on land plant fossils shows Paleoasian Ocean disappeared about 251 million years ago PhysOrg - December 8, 2009
A latest discovery of land plant fossils from Heilongjiang, Northeast China shows that the Siberian Plate sutured with the North China Plate at the end of the Permian, and resulted in the final closure of the Paleoasian Ocean (an ocean existed for hundreds of million years in earth history).
Glimpse at Earth's Crust Deep Below Atlantic Ocean Science Daily - December 1, 2009
Long-term variations in volcanism help explain the birth, evolution and death of striking geological features called oceanic core complexes on the ocean floor, says geologist Dr Bram Murton of the National Oceanography Centre, Southampton. Oceanic core complexes are associated with faults along slow-spreading mid-ocean ridges. They are large elevated massifs with flat or gently curved upper surfaces and prominent corrugations called 'megamullions'. Uplifting during their formation causes exposure of lower crust and mantle rocks on the seafloor. Murton was member of a scientific team that in 2007 sailed to the mid Atlantic Ridge aboard the royal research ship RRS James Cook to study the Earth's crust below the ocean.
Giant Crack in Africa Will Create a New Ocean Live Science - November 3, 2009
The rift in Afar, Ethiopia, that researchers say will eventually become a new ocean.
African Desert Rift Confirmed As New Ocean In The Making Science Daily - November 3, 2009
New Wrinkle In Ancient Ocean Chemistry Science Daily - October 30, 2009
Scientists widely accept that around 2.4 billion years ago, the Earth's atmosphere underwent a dramatic change when oxygen levels rose sharply. Called the "Great Oxidation Event" (GOE), the oxygen spike marks an important milestone in Earth's history, the transformation from an oxygen-poor atmosphere to an oxygen-rich one paving the way for complex life to develop on the planet.
Ancient ocean chemistry: Effects of biological oxygen production 100 million years before it accumulated in atmosphere PhysOrg - October 29, 2009
Scientists widely accept that around 2.4 billion years ago, the Earth's atmosphere underwent a dramatic change when oxygen levels rose sharply. Called the "Great Oxidation Event" (GOE), the oxygen spike marks an important milestone in Earth's history, the transformation from an oxygen-poor atmosphere to an oxygen-rich one paving the way for complex life to develop on the planet.
Sea Art Created by Natural Bloom Live Science - October 28, 2009
Off the east coast of New Zealand, cold rivers of water that have branched off from the Antarctic Circumpolar Current flow north past South Island and converge with warmer waters flowing south past North Island. The surface waters of this meeting place are New Zealand's most biologically productive. A new NASA image, taken Oct. 25 from the Aqua satellite, shows the basis for that productivity: large blooms of plantlike organisms called phytoplankton.
Secret to Towering Rogue Waves Revealed Live Science - August 4, 2008
Deadly rogue waves 100 feet tall or higher could suddenly rise seemingly out of nowhere from the ocean, research now reveals. Understanding how such monstrous waves form could lead to ways to predict when they might emerge or, potentially, even drive them at enemy vessels, scientists added.
Rocks under the northern ocean are found to resemble ones far south PhysOrg - April 30, 2008
The western portion of the Gakkel Ridge has been found to contain a
geochemical signature until now known mainly from the Indian Ocean.
Scientists discover new ocean current PhysOrg - April 30, 2008
Scientists at the Georgia Institute of Technology have discovered a new climate pattern called the North Pacific Gyre Oscillation. This new pattern explains, for the first time, changes in the water that are important in helping commercial fishermen understand fluctuations in the fish stock.
Seismologists discover complex structure in Tonga mantle wedge PhysOrg - April 13, 2007
The subduction zones where oceanic plates sink beneath the continents
produce volcanic arcs such as those that make up the rim of fire around
the Pacific Ocean. The volcanoes are fed by molten rock rising within
a wedge of the Earth's mantle above ...
Sea floor records ancient Earth BBC - March 26, 2007
A sliver of four-billion-year-old sea floor has offered a glimpse into the inner workings of an adolescent Earth. The baked and twisted rocks, now part of Greenland, show the earliest evidence of plate tectonics, colossal movements of the planet's outer shell. Until now, researchers were unable to say when the process, which explains how oceans and continents form, began. Plate tectonics is a geological theory used to explain the observed large-scale motions of the Earth's surface.
Scientists probe 'hole in Earth' in the mid-Atlantic BBC - March 1, 2007
The hole in the crust is midway between the Cape Verde Islands and the Caribbean, on the Mid-Atlantic Ridge.
Mission to Study Earth's Gaping 'Open Wound' Live Science - March 1, 2007
A team of scientists will embark on a voyage next week to study an 'open wound' on the
Atlantic seafloor where the Earth's deep interior lies exposed without any crust covering.
'Nymph Of The Sea' Reveals Remarkable Brood Science Daily - November 24, 2006

Geologists have made an unusual discovery from over 425 million years ago ... hard boiled eggs!
Slab of sunken ocean floor found deep within Earth PhysOrg - May 17, 2006
Deep within Earth, halfway to its center in an area where Earth's core meets its mantle, lies a massive folded slab of rock that once was the ocean floor.
Fossil gives clue to big chill BBC - April 21, 2006
The gateway between the Atlantic and Pacific at
the bottom of the globe opened up 41 million
years ago, according to a study of old fish teeth.
'Milky seas' detected from space BBC - September 30, 2005
Mariners over the centuries have reported surreal, nocturnal displays of glowing sea surfaces stretching outwards to the horizon. Little is known about these "milky seas" other than that they are probably caused by luminous bacteria. But the first satellite detection of this strange phenomenon in the Indian Ocean may now aid future research. The observation is described by a US team in the journal Proceedings of the National Academy of Sciences. The glowing sea covered an area of 15,400 sq km - about the size of the traditional English county of Yorkshire - and was observed over three consecutive nights, with the first night corroborated by a ship-based account.
Scientists Find Unusual Use of Metals in the Oceans PhysOrg - May 20, 2005

Cadmium, commonly considered a toxic metal and often used in combination with nickel in batteries, has been found to have a biological use as a nutrient in the ocean, the first known biological use of cadmium in any life form.